Kimmbalo
New member
- Joined
 - May 2, 2021
 
- Messages
 - 4
 
- Reaction score
 - 0
 
- Points
 - 1
 
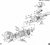
For whatever reason every place I go on the internet I cannot get a simple straight forward answer as the where the VSS Vehicle speed sensor is on my 2006 solstice. 
is there a heat sheild I need to remove to find it? I have it up on ramps (I’m small 110 lbs ( a woman). I have tools and I can do this if I can just locate it. If I slide under the vehicle from the front and I’m laying looking up, from an obvious reference point where would I go to find it? Please help. I can’t get my car on the road until I replace this &smog it. It’s a 2006 with 36000 miles on it. My obd2 reader indicated the vss was compromised. So I just went to rock auto and ordered a brand new one. If it’s the wiring I can take care of that. The weather here in tahoe is getting nice and warm and I’d really love to get this car legal and drive it on weekends. I only paid $5000 for it. It’s so new it still has the paper tags on the under carriage. I got a great deal, I believe.
	
		
			
		
		
	
				
			is there a heat sheild I need to remove to find it? I have it up on ramps (I’m small 110 lbs ( a woman). I have tools and I can do this if I can just locate it. If I slide under the vehicle from the front and I’m laying looking up, from an obvious reference point where would I go to find it? Please help. I can’t get my car on the road until I replace this &smog it. It’s a 2006 with 36000 miles on it. My obd2 reader indicated the vss was compromised. So I just went to rock auto and ordered a brand new one. If it’s the wiring I can take care of that. The weather here in tahoe is getting nice and warm and I’d really love to get this car legal and drive it on weekends. I only paid $5000 for it. It’s so new it still has the paper tags on the under carriage. I got a great deal, I believe.
	
			
			
